Générateur d'indicatif CW  à PIC pour balise

d'après F1BIU

 

Le schéma
Le circuit imprimé
Le code source original Code source F5XAR Code source F5ZPH
Exemple de paramètres pour F5XAR
Exemple de paramètres pour F5ZPH
Implantation dans F5ZPH
Fichier d'aide
Télécharger spasm.exe
Télécharger Picprog.bas Fichier .bat
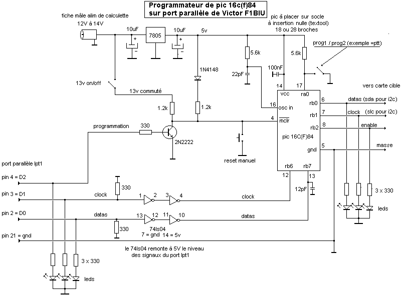
Programmeur de PIC de F1BIU

Mise à jour 2020 : Générateur CW (ou CW+Opera) selon IK0WRB

 

[ PH-MARTIN] [ F6ETI - F8BPN ] [ F6ETI ] [ F8BPN ]